Navigation
Pre-Amp
|
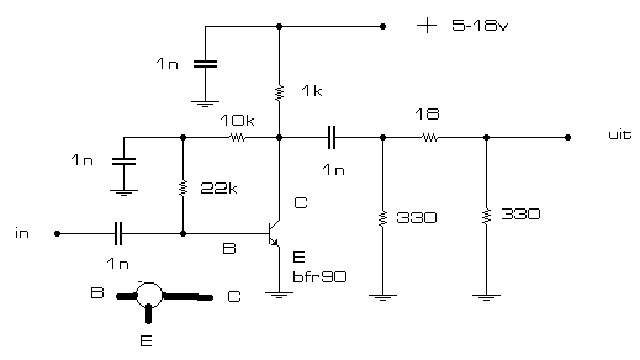
Deze Pre-Amp is een eenvoudig zelfbouwprojectje. Het is een universele voorversterker met de BFR 90 of 91 die voor enkele euro s te bouwen is. De gain is ongeveer 20 DB en het ruisgetal is beter dan 1,5 DB. Deze versterker is door mij voor verschillende doelen gebruikt zoals op
50 mhz als voorversterker in een RT 70 buizenset en als antenne voorversterker voor een autoradio, ook
gebouwd als miniatuur versterker in een scanner was het een succes. Op 2 meter is deze schakeling in een dove Zodiak 6 kanaals set getest die door dit versterkertje vergelijkbaar was met een kenwood TR 2300. Ook in een frequentieteller heeft deze schakeling
zijn diensten bewezen. Door het breedbandig ontwerp was deze versterker in een vlinderdipool antenne geplaatst , uitermate geschikt om kabeltelevisie door de muur te ontvangen ,wat een besparing van wel 10 euro per maand opleverde. De schakeling bestaat uit 1 tor en 6 weerstanden , 4 condensatoren en een stukje printplaat van 2,5 bij 5 cm. Met een zaag of vijl wordt het printje van eilandjes voorzien en volgens schema gesoldeerd., de schakeling neemt genoegen met een voedingsspanning van 5 tot 18 volt. |
|
Bouwbeschrijving:
|

